Zum Hauptinhalt springen Zur Suche springen Zur Hauptnavigation springen

Explosionszeichnung

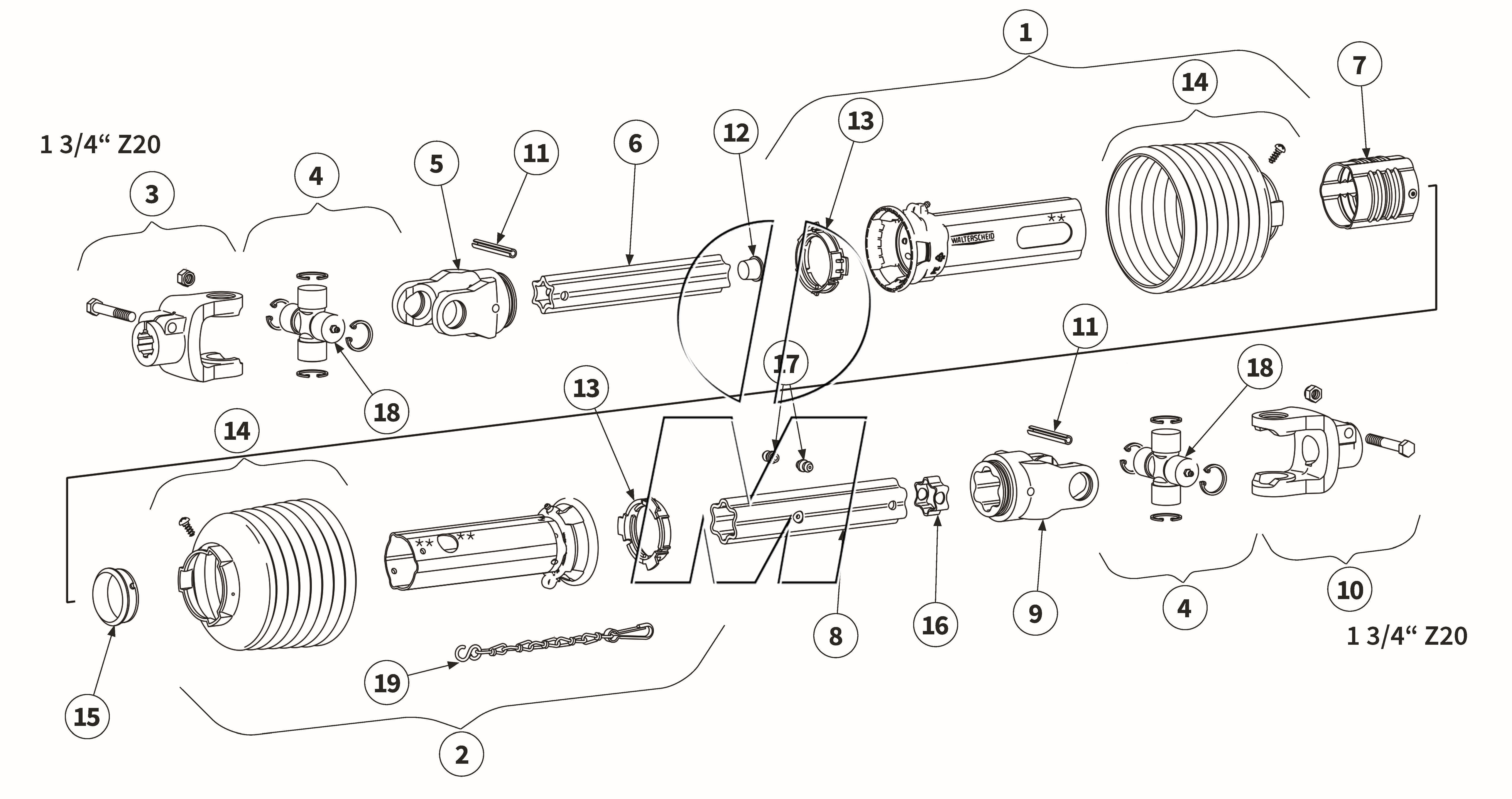
Zeichnung 16: Gelenkwelle - 00048770 (P_MF_ET_24_WEL)

Zeichnung 16: Gelenkwelle - 00048770
Modell: MU-M/F 600 Vario
Ab Serie: 2024
Ausgabe: 2025-03
Bestellcode: P_MF_ET_24_WEL

Position Bestellcode
Artikel-Nr.
Artikel Arbeitsbreite Ident.-Nr. GPSR-Info Anzahl
1 1113818
40020799
Äußere Schutzhälfte 600 (113818) finden Sie hier 1 Details
2 1113819
40020821
Innere Schutzhälfte 600 (113819) finden Sie hier 1 Details
3 106062150
40019500
Außengabel 600 finden Sie hier 1 Details
4 1122079
40007359
Kreuzgarnitur 600 finden Sie hier 2 Details
5 1136856
40006128
Innengabel für Innenrohr 600 finden Sie hier 1 Details
6 1134941
90134941
Profil-Innenrohr 600 (1134941, 134941) finden Sie hier 1 Details
7 1607342
40020134
Abdeckung 600 finden Sie hier 1 Details
8 138719
40020845
Profil-Außenrohr 600 (138719) finden Sie hier 1 Details
9 1097140
40054108
Innengabel für Außenrohr 600 (1 097 140, 097 140, 36 14 100) finden Sie hier 1 Details
10 1339791
40019680
Außengabel 600 finden Sie hier 1 Details
11 MU304046
90304046
Spannstift 600 (MU304046) finden Sie hier 2 Details
12 1043537
40019204
Schutzkappe 600 finden Sie hier 1 Details
13 1087276
40034376
Gleitring 600 (1 087 276, 087 276, 82 83 04) finden Sie hier 2 Details
14 1365388
40049757
Schutztopf 600 (1 365 388, 365 388, 85 26 08) finden Sie hier 2 Details
15 1158845
90158845
Gleitring 600 (1158845, 158845) finden Sie hier 1 Details
16 1691436
40006882
Stopfen 600 (691436) finden Sie hier 1 Details
17 1380371
90380371
Schmiernippel 600 (1380371, 380371) finden Sie hier 2 Details
18 1153207
90153207
Schmiernippel 600 (1153207, 153207) finden Sie hier 2 Details
19 999-125888
40020914
Haltekette 600 (125888) finden Sie hier 1 Details
- Artikel ist vorrätig
- Artikel beim Lieferanten bereits bestellt
- Besorgungsware, besondere Bedingungen beachten
- Artikel nicht vorrätig, i.d.R. kurzfristig lieferbar
Loading…
Loading the web debug toolbar…
Attempt #