0.2/22 Teile für MU-M/F 600 (2024)
0.2/22 Teile laut Zeichnungen passend für MU-M/F 600 - Serie 2024
In dieser Kategorie finden Sie die Explosionszeichnungen zu der aktuellen Typenreihe.
Falls Sie für eine ältere Maschine Ersatzteile benötigen, suchen Sie bitte die PDF-Ersatzteillisten im Downloadverzeichnis.
Downloads MÜTHING Ersatzteillisten
In dieser Kategorie finden Sie die Explosionszeichnungen zu der aktuellen Typenreihe.
Falls Sie für eine ältere Maschine Ersatzteile benötigen, suchen Sie bitte die PDF-Ersatzteillisten im Downloadverzeichnis.
Downloads MÜTHING Ersatzteillisten
-
0. Müthing-Mulchgeräte Ersatzteile
- 0.1 Mulchtechnik Müthing
-
0.2 Ersatzteile für Müthing-Mulchgeräte nach Typen
- 0.2/17 Teile für MU-H 120-220 (2025)
- 0.2/18 Teile für MU-H/S 140-200 (2023)
- 0.2/19 Teile für MU-L 180-280 (2025)
- 0.2/20 Teile für MU-L/S 200-250 (2025)
- 0.2/21 Teile für MU-M 220-300 (2024)
- 0.2/22 Teile für MU-M/F 600 (2024)
- 0.2/24 MU-M/S PLUS (2025)
- 0.2/28 Teile für MU-Pro VARIO 250-320 (2024)
- 0.2/29 Teile für MU-PRO/F 860 (2025)
- 0.2/32 Teile für MU-VarioShark 280-300 (2024)
- 1. Säen, Düngen, Pflegen
- 2. Erntetechnik
- 3. Bodenbearbeitung
- 4. Hof, Stall, Garten, Forst
- 5. Fahrzeug- und Antriebstechnik
- 6. Werkstattbedarf
- 7. Arbeitsschutz
- 8. Stalldung- und Gülletechnik
- Abverkauf / Restposten
- Aktion
Produkte filtern
–
Zeichnung 01: Gehäuse links (P_MF_ET_24_WEL)
Zeichnung 01: Gehäuse links Modell: MU-M/F 600 Vario Ab Serie: 2024 Ausgabe: 2025-03 Bestellcode: P_MF_ET_24_WEL
Zeichnung 02: Gehäuse rechts (P_MF_ET_24_WEL)
Zeichnung 02: Gehäuse rechts Modell: MU-M/F 600 Vario Ab Serie: 2024 Ausgabe: 2025-03 Bestellcode: P_MF_ET_24_WEL
Zeichnung 03: Schutzgummi (P_MF_ET_24_WEL)
Zeichnung 03: Schutzgummi Modell: MU-M/F 600 Vario Ab Serie: 2024 Ausgabe: 2025-03 Bestellcode: P_MF_ET_24_WEL
Zeichnung 04: Kurzhäckselleiste (P_MF_ET_24_WEL)
Zeichnung 04: Kurzhäckselleiste Modell: MU-M/F 600 Vario Ab Serie: 2024 Ausgabe: 2025-03 Bestellcode: P_MF_ET_24_WEL
Zeichnung 05: Überblick Dreipunktbock (P_MF_ET_24_WEL)
Zeichnung 05: Überblick Dreipunktbock Modell: MU-M/F 600 Vario Ab Serie: 2024 Ausgabe: 2025-03 Bestellcode: P_MF_ET_24_WEL
Zeichnung 06: Dreipunktbock (P_MF_ET_24_WEL)
Zeichnung 06: Dreipunktbock Modell: MU-M/F 600 Vario Ab Serie: 2024 Ausgabe: 2025-03 Bestellcode: P_MF_ET_24_WEL
Zeichnung 07: Tragarm links (P_MF_ET_24_WEL)
Zeichnung 07: Tragarm links Modell: MU-M/F 600 Vario Ab Serie: 2024 Ausgabe: 2025-03 Bestellcode: P_MF_ET_24_WEL
Zeichnung 08: Tragarm rechts (P_MF_ET_24_WEL)
Zeichnung 08: Tragarm rechts Modell: MU-M/F 600 Vario Ab Serie: 2024 Ausgabe: 2025-03 Bestellcode: P_MF_ET_24_WEL
Zeichnung 09: Halter Streifenmulcher (P_MF_ET_24_WEL)
Zeichnung 09: Halter Streifenmulcher Modell: MU-M/F 600 Vario Ab Serie: 2024 Ausgabe: 2025-03 Bestellcode: P_MF_ET_24_WEL
Zeichnung 10: Dreipunktbock Hydraulik (P_MF_ET_24_WEL)
Zeichnung 10: Dreipunktbock Hydraulik Modell: MU-M/F 600 Vario Ab Serie: 2024 Ausgabe: 2025-03 Bestellcode: P_MF_ET_24_WEL
Zeichnung 11: Antrieb & Getriebe (P_MF_ET_24_WEL)
Zeichnung 11: Antrieb & Getriebe Modell: MU-M/F 600 Vario Ab Serie: 2024 Ausgabe: 2025-03 Bestellcode: P_MF_ET_24_WEL
Zeichnung 12: Getriebe Übersetzung (P_MF_ET_24_WEL)
Zeichnung 12: Getriebe Übersetzung Modell: MU-M/F 600 Vario Ab Serie: 2024 Ausgabe: 2025-03 Bestellcode: P_MF_ET_24_WEL
Zeichnung 13: Riemenspanner rechts Einzelteile (P_MF_ET_24_WEL)
Zeichnung 13: Riemenspanner rechts Einzelteile Modell: MU-M/F 600 Vario Ab Serie: 2024 Ausgabe: 2025-03 Bestellcode: P_MF_ET_24_WEL
Zeichnung 14: Riemenspanner links Einzelteile (P_MF_ET_24_WEL)
Zeichnung 14: Riemenspanner links Einzelteile Modell: MU-M/F 600 Vario Ab Serie: 2024 Ausgabe: 2025-03 Bestellcode: P_MF_ET_24_WEL
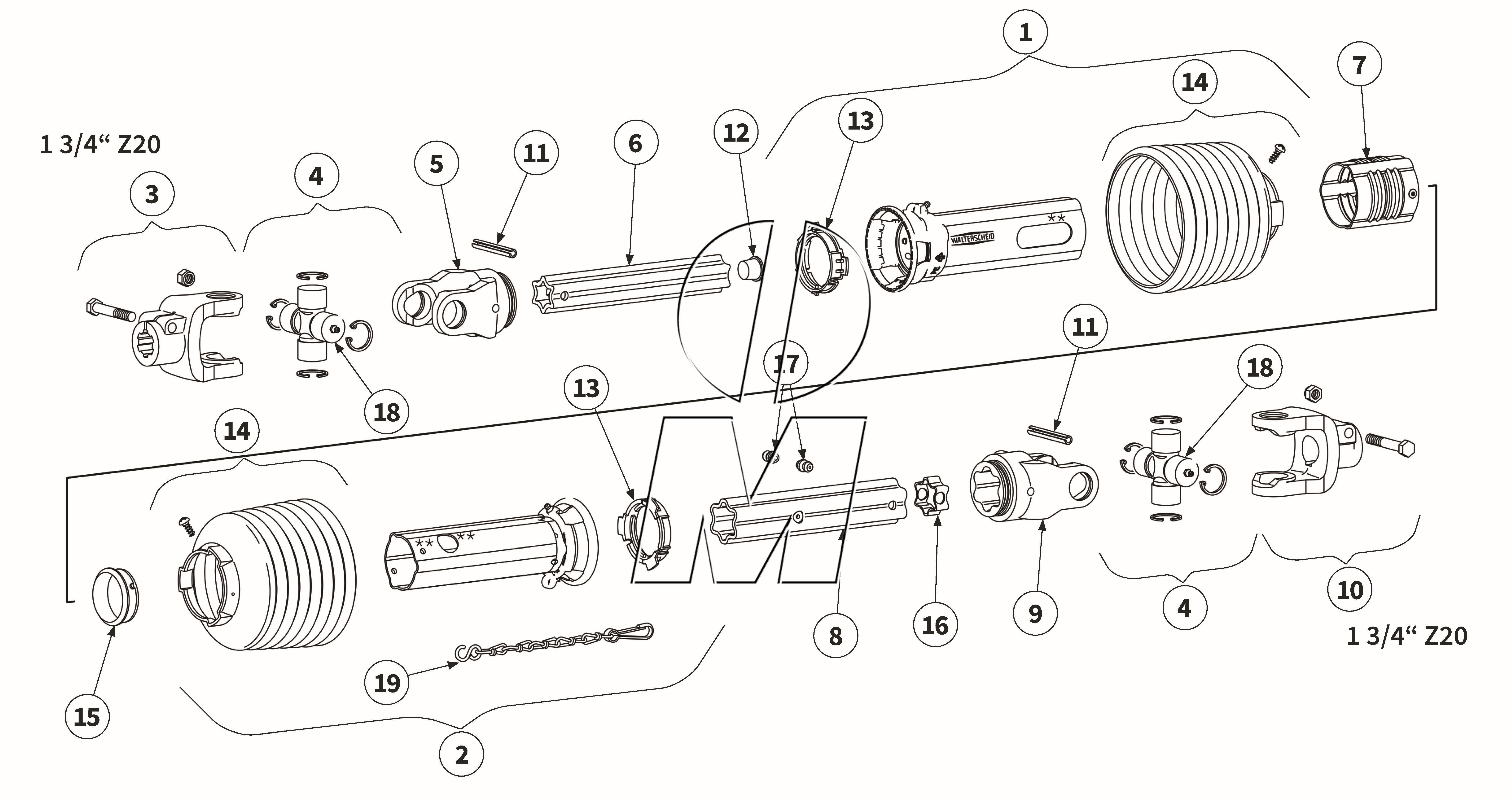
Zeichnung 15: Gelenkwelle - DS9N096FX (P_MF_ET_24_WEL)
Zeichnung 15: Gelenkwelle - DS9N096FX Modell: MU-M/F 600 Vario Ab Serie: 2024 Ausgabe: 2025-03 Bestellcode: P_MF_ET_24_WEL
Zeichnung 16: Gelenkwelle - 00048770 (P_MF_ET_24_WEL)
Zeichnung 16: Gelenkwelle - 00048770 Modell: MU-M/F 600 Vario Ab Serie: 2024 Ausgabe: 2025-03 Bestellcode: P_MF_ET_24_WEL
Zeichnung 17: Verlängerungswelle (P_MF_ET_24_WEL)
Zeichnung 17: Verlängerungswelle Modell: MU-M/F 600 Vario Ab Serie: 2024 Ausgabe: 2025-03 Bestellcode: P_MF_ET_24_WEL
Zeichnung 18: Stützwalze (P_MF_ET_24_WEL)
Zeichnung 18: Stützwalze Modell: MU-M/F 600 Vario Ab Serie: 2024 Ausgabe: 2025-03 Bestellcode: P_MF_ET_24_WEL
Zeichnung 19: Hammerrotor links (P_MF_ET_24_WEL)
Zeichnung 19: Hammerrotor links Modell: MU-M/F 600 Vario Ab Serie: 2024 Ausgabe: 2025-03 Bestellcode: P_MF_ET_24_WEL
Zeichnung 20: Hammerrotor rechts (P_MF_ET_24_WEL)
Zeichnung 20: Hammerrotor rechts Modell: MU-M/F 600 Vario Ab Serie: 2024 Ausgabe: 2025-03 Bestellcode: P_MF_ET_24_WEL
Zeichnung 21: Verschleißeinlage (P_MF_ET_24_WEL)
Zeichnung 21: Verschleißeinlage Modell: MU-M/F 600 Vario Ab Serie: 2024 Ausgabe: 2025-03 Bestellcode: P_MF_ET_24_WEL
Zeichnung 22: Verschleißeinlage Verstärkung (P_MF_ET_24_WEL)
Zeichnung 22: Verschleißeinlage Verstärkung Modell: MU-M/F 600 Vario Ab Serie: 2024 Ausgabe: 2025-03 Bestellcode: P_MF_ET_24_WEL
Zeichnung 23: Verschleißkufen (P_MF_ET_24_WEL)
Zeichnung 23: Verschleißkufen Modell: MU-M/F 600 Vario Ab Serie: 2024 Ausgabe: 2025-03 Bestellcode: P_MF_ET_24_WEL
Zeichnung 24: Getriebe (P_MF_ET_24_WEL)
Zeichnung 24: Getriebe Modell: MU-M/F 600 Vario Ab Serie: 2024 Ausgabe: 2025-03 Bestellcode: P_MF_ET_24_WEL